• -30%
    Carrello porta paranco manuale regolabile mm.102-220 movimento a catena per spostare su trave carichi sollevati kg.3000 NCPC300F

Carrello porta paranco manuale portata kg.3000 a traslazione a catena, regolabile, per scorrere e spostare su trave mm.102-220, carichi pesanti sollevati.

Carrello porta paranco manuale a traslazione meccanica con catena di manovra, ideale per movimentare materiale su delle putrelle in acciaio i carichi precedentemente sollevati da paranchi manuali.

Carrello di sospensione facilmente regolabile, si adatta ad una grande varietà di travi dove ancorare paranchi manuali, paranchi a catena o paranchi elettrici.

Carrello di scorrimento a corsa meccanica per paranco a catena adatto a molte travi con adattamento mediante manovella per dare un punto di ancoraggio mobile per l'equipaggiamento di sollevamento.

Carrello a traslazione folle con movimento a catena, su robuste ruote in acciaio, con possibilità di altre portate su richiesta, idoneo per il fissaggio e lo spostamento orizzontale di paranchi su travi strutturali.

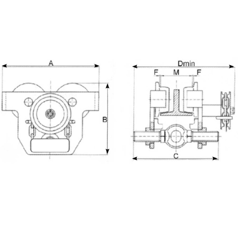
Mod. NCPC300F

Portata kg. 3000

Dimensioni A mm. 360

Dimensioni B mm. 290

Dimensioni C mm. 324

Dimensioni D mm. 354

Larghezza trave di scorrimento M mm. 102 - 220

Raggio di curvatura minimo m. 1,3

Peso kg. 37,7

Conforme alle normative europee

NCPC300F

Riferimenti Specifici

MPN
NCPS300F
Nuovo

Nella stessa Categoria

16 altri prodotti della stessa categoria: